
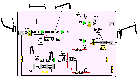
On trunk and Mini Bridger amp. you are right, the input at the first IC should be flat. On line extender, due to the high input (between 17 to 20 dBmV) the input at the first IC should be 3 dB slope at 750 MHZ and 4 dB slope at 870 MHz. The ppicture comes from a seminar on HFC system that I do using POWER POINT.
Here is the same thing but with a Mini Bridger.
